欢迎来到北京华益瑞科技有限公司!
13811233305
相关文章 / ARTICLE
2021-11-23
                    
2024-01-26
                    
2021-11-23
                    
2021-11-23
                    
2023-10-23
                    
                            
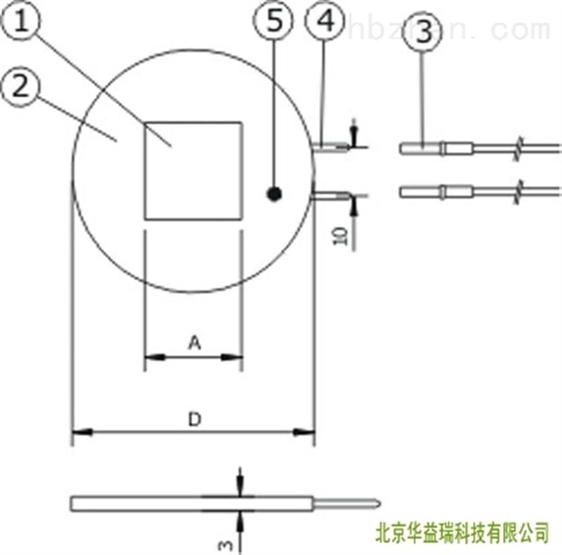
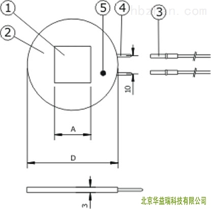
产品介绍/ PRODUCT PRESENTATIONPU系列热通量传感器由很多“标准的"传感器组成,传感器有着不同的直径和厚度。除了标准型号之外,还可以根据用户的需要生产特殊的型号。
在大部分的应用中,PU系列传感器的特殊型号涉及到尺寸(大小和薄厚),温度(*高250℃),安装(灵活的安装方式),耐化学腐蚀性(高)或者大覆盖面积。
PU系列标准型号由两个部分组成: 一部分是3mm厚的PU,另外一部分是1mm厚的PU-T。
PU系列有着自己*的特点:
※ 单位面积上打破记录的灵敏度
※ 小传感器
※ 灵活(仅PU-T)
PU系列的特点可以单独使用,也可以联合起来使用,为了确保测量人体或者其它动物身体的通量,或者测量一个圆柱体的表面,PU系列传感器的外壳由聚亚安酯浇注而成。
Hukseflux的标准型号HFP01和HFP03.
根据用户的需要我们可以生产特殊的型号,可以应用到不同的参数上:
※ 尺寸(可以生产的非常大)
※ 灵敏区域面积
※ 厚度(1mm或者更厚)
※ 温度/压力范围
※ 耐化学腐蚀性
※ 灵敏度
※ 灵活性
※ 热通量范围
※ IP保护等级
在很多特殊的设计上我们可以用硅制作,选择这个材料的结果是可以应用在高温、惰性化学物等,但是在机械强度上要小于聚亚安酯。
 
上一篇:SBG01水冷热通量传感器